Skip to main content
Skip to main navigation menu
Skip to site footer
Technology and design in electronic equipment
Home
Current
Archive
About the journal
Purpose and scope
Publication ethics
Preventing and combating plagiarism
Open access
Licensing
Archiving
Іndexing
Use of AI
Retraction policy
A brief history of the journal
Editorial board
For authors
Editorial process
Review process
Requirements for articles
Submissions
Article processing сharge
Journal copyright terms
Contacts
Search
Search
Register
Login
Home
/
Archives
/
No. 3–4 (2025): Technology and design in electronic equipment
No. 3–4 (2025): Technology and design in electronic equipment
ISSN 3083-6530 (Print)
ISSN 3083-6549 (Online)
DOI:
https://doi.org/10.15222/TKEA2025.3-4
Published:
2025-12-30
Articles
Distribution of eddy electric currents in an anisotropic electrically conductive transformer
Anatoly Ashcheulov, Mykola Derevianchuk
3-8
PDF (Українська)
Film heterojunction with nanocluster subsystem for new type of photocells
Volodymyr Kovalchuk, Diana Popryaga, Dmytro Dyachok
9-14
PDF
Development of a mathematical model for a CdS-based photosensitive Hall sensor
Viktor Sergiichuk, Ostap Oliinyk
15-21
PDF
Detector of asynchronous pulse noise in conditions of additive mixture of uncorrelated and discrete in range correlated gaussian noise
Igor Tsevukh, Anastasia Sakovich
22-32
PDF (Українська)
Comparative analysis of digital modulation classification methods based on deep neural networks
Ivan Horbatyi, Oleksandr Usatyi
33-39
PDF (Українська)
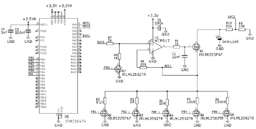
Development and simulation of a high-precision MPPT controller for thin-film solar cells
Vitalii Fedenko, Bogdan Dzundza
40-46
PDF
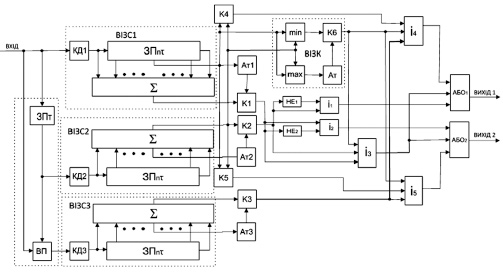
Application prospects of active balancing in multi-module battery packs
Dmytro Lipko, Arsenii Naidonov, Yuliia Kozhushko, Yuliia Bondarenko, Pavlo Safronov, Oleksandr Bondarenko
47-55
PDF (Українська)
Archived version of TKEA website
Language
English
Українська
Information
For Readers
For Authors
For Librarians